
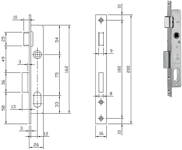
SERRATURE ISEO INFILARE ART.7501510
Serrature per montanti. 1 mandata. Catenaccio e SCROCCO comandato dalla maniglia. Frontale cromato. Quadro maniglia mm.8. Predisposte per cilindro ovale. Contropiastra non compresa.
| Cod. | Descrizione Listino | Misura | U.M. | Conf. | Sc. | Listino |
|---|---|---|---|---|---|---|
| 848940 | SERR.ISEO INF.CO M1 F16 E15 *750 | 7501510 front.mm.16 E mm.15 | PZ | 1 | 43,20 |
T.C.U. s.a.s. - (©) 2023