
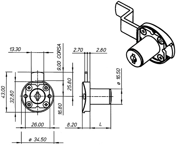
SERRATURE PER MOBILI MERONI 2631 P9
Serratura da applicare per antine 2631 versione con CATENACCIO PIEGATO. Rotazione 180? (2 uscite chiave). Scatola in zama nichelata. Entrata E mm.16,8. Corsa mm.9. Due chiavi in dotazione. Chiave grezza ricambio ns.cod.849522. Possibilit? di avere chiave MAESTRA ns.cod.849523. Modificabili in KA con ns.cod.849180-81.
