
SERRATURE DIERRE NE42D - NE42S
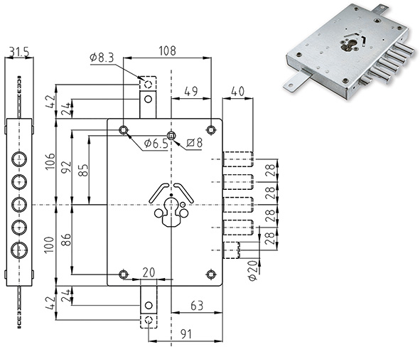
Serratura triplice da applicare per porte blindate. Ad ingranaggi. Per cilindro europeo. Scrocco azionato dal quadro maniglia e dalla chiave. Cilindro e aste non compresi. Fori protezione cilindro con interasse mm.31.
| Cod. | Descrizione Listino | Misura | U.M. | Conf. | Sc. | Listino |
|---|---|---|---|---|---|---|
| 843520 | SERR.DIERRE TRIP.CIL. E63 NE42D | NE42D DX entr.mm.63 cat.4 +sc | PZ | 1 | 83,80 | |
| 843521 | SERR.DIERRE TRIP.CIL. E63 NE42S | NE42S SX entr.mm.63 cat.4 +sc | PZ | 1 | 83,80 |
T.C.U. s.a.s. - (©) 2023