
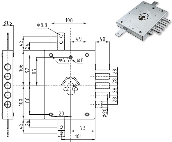
SERRATURE DIERRE NE427D - NE427S
Serratura triplice da applicare per porte blindate. Ad ingranaggi. Per cilindro europeo. Scrocco azionato dal quadro maniglia e dalla chiave. Cilindro e aste non compresi. Fori protezione cilindro con interasse mm.31.
